中国政府网
重庆市人民政府网
重庆市北碚区人民政府
部门/街镇
登录
注销
注册
>
繁体版
智能机器人
适老版
无障碍
网站支持ipv6
热搜词:
建筑能效测评
内资公司
个体工商户
身份证
入学
医疗保险
政务服务
互动交流
部门
区发展改革委
区教委
区科技局
区经济信息委
区民政局
区司法局
区财政局
区人力社保局
区生态环境局
区住房城乡建委
区城市管理局
区交通运输委
区农业农村委
区林业局
区水利局
区商务委
区文化旅游委
区卫生健康委
区退役军人事务局
区应急局
区审计局
区国资委
区统计局
区医保局
区信访办
区大数据发展局
区招商投资局
区公安分局
街镇
天生街道办事处
朝阳街道办事处
北温泉街道办事处
龙凤桥街道办事处
东阳街道办事处
蔡家岗街道办事处
歇马街道办事处
水土街道办事处
复兴街道办事处
静观镇人民政府
施家梁镇人民政府
童家溪镇人民政府
澄江镇人民政府
天府镇人民政府
柳荫镇人民政府
三圣镇人民政府
金刀峡镇人民政府
首页
>
区生态环境局
>
政务公开
>
法定主动公开内容
>
行政许可
>
办理结果
索引号
11500109MB1664992D/2025-00124
发文字号
发布机构
北碚区生态环境局
主题分类
环境监测、保护与治理
体裁分类
结果查询、公示
成文日期
2025-09-30
发布日期
2025-09-30
有效性
有效
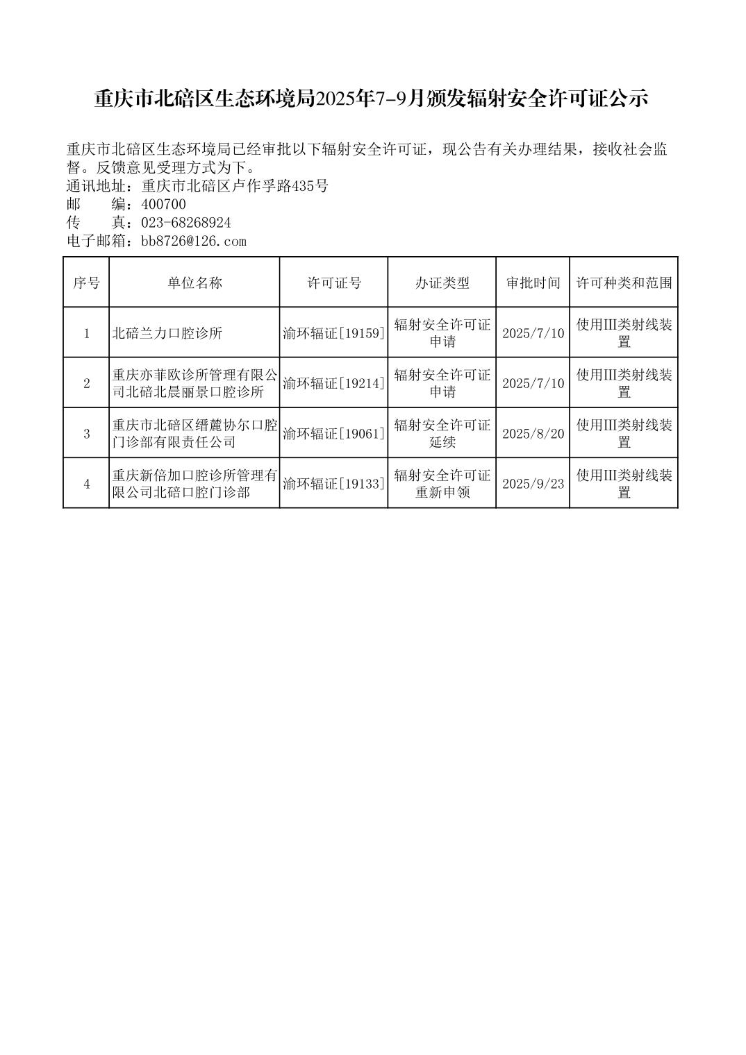
辐射安全许可证办理结果公开
日期:2025-09-30
大
中
小
扫一扫在手机打开当前页
15057563
辐射安全许可证办理结果公开
156627
办理结果
20
2025-09-30